
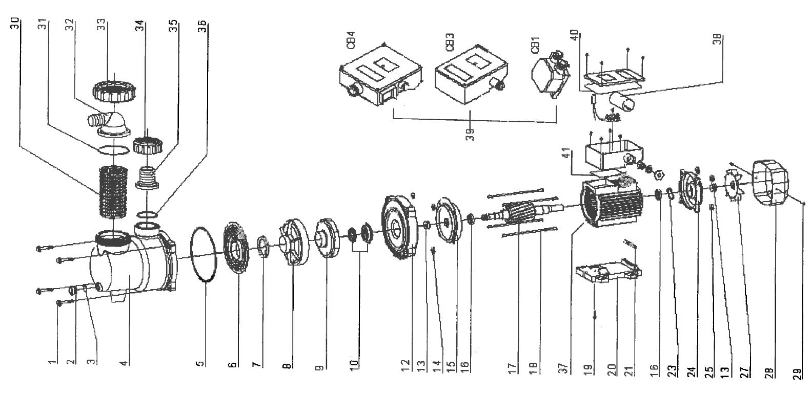
Ersatzteile für Pumpe Sniper, Espa - Filterpumpe.
Ersatzteile für Filterpumpe Modell Sniper.
Typen: Sniper 25, Sniper 50, Sniper 75
-HIER- Ersatzteilliste für Espa Pool Pumpe Sniper als pdf herunterladen!
Hier finden Sie Ersatzeile wie: Siebkorb, Filterkorb, Filter, Korb, Sieb, O-Ring, Dichtring, Dichtung, Pumpenfuß, Auslassventil, Stator, Filtergehäuse, Gehäusedichtung, Klarsichtdeckel, Vorfilterdeckel, Deckel, Vorfilter, Stopfen, Lüfterrad, Lüfterdeckel, Druckstutzen, Ablaßschraube, Ablassstopfen, Laufrad, Gleitringdichtung, Überwurfmutter, Schlüssel für Überwurfmutter, Klemmkasten, Klemmkastendeckel, Verschlussschraube Poolpumpe, Filterpumpe, Schwimmbad Pumpe, Espa, Poolpumpe.


Anschluss Tülle für Schlauch 38 mm, Schlauchtülle

Anschlusstülle, Schlauchtülle für 38 mm Schlauch. Anschlusstülle, Schlauchanschluß mit Tülle für 38 mm Schlauch, passend bei Espa Pumpe Blaumar S1, Tiper 1, Tiper 2, Sniper, Silen, Pool M, Ni5, Niper 1-350, Niper 2-450, Flipper 1, Flipper 2.Passende Überwurfmutter 2" Art.-Nr: 810464 bitte extra bestellen (nicht im Lieferumfang enthalten). Flanschdurchmesser: 62 mm Durchmesser für Schlauch/Tülle: 38 mm ESPA, Ersatzteil, Ersatzteilnummer Nr. 810475 Sandfilteranlage, Filtergehäuse, Poolpumpe, Schwimmbadpumpe, Schwimmbadfilter, Filterpumpe, Schwimmbad, Pool, Filteranlage, Saugstutzen, Klebestutzen, Muffe Saugseite.


Anschluss-Stutzen am Druckstutzen für PVC-Rohr DN 50

Anschlussstutzen, Druckstutzen, Tülle für PVC Kleberohr 50 mm passend bei Blaumar, Tiper, Silen S, Silen I, Ni5, Niper, Iris. Anschlussstutzen für PVC Kleberohr mit 50 mm Durchmesser passend bei Espa Pumpe Blaumar S1, Blaumar I1, Blaumar S1, Tiper 0, Tiper 2, Silen S, Ni5, Niper 1-350, Niper 2-450, Iris 400- Iris 1000, Silen I 33, Silen I 50, Silen I 100. Passend Überwurfmutter 2" Espa Ersatzteil Nr. 810464 bitte extra bestellen (nicht im Lieferumfang). ESPA, Ersatzteil, Ersatzteilnummer Nr. 810463 Sandfilteranlage, Filtergehäuse, Poolpumpe, Schwimmbadpumpe, Schwimmbadfilter, Filterpumpe, Schwimmbad, Pool, Filteranlage, Saugstutzen, Klebestutzen, Muffe Saugseite


Auslassventil für Sandfilteranlage

Entleerungsventil mit Schlauchtülle für Schlauchanschluß, Auslassventil für Sandfilteranlage Entleerungsventil mit Schlauchtülle für Schlauchanschluß, Auslassventil für Sandfilteranlage mit Außengewinde, bestehend aus drei Teilen, passend z.B. bei Sand-Filteranlage SF500 mit 75 kg Sandfüllung und Espa Pumpe Silen 50. Gewinde-Außendurchmesser: 16 mmEspa, Ersatzteil, Ersatzteilnummer 840014 Keine Chinaware, Original ESPA Ersatzteil - Original Equipment (OE)


Auslassventil für Sandfilteranlage Durchmesser 20,5 bis 25 mm

Entleerungsventil, Auslassventil für Sandfilteranlage Entleerungsventil, Auslassventil, Ablassventil, Entleerungsdüse Typ EH-0,2, bestehend aus einem Innenteil (beige) und einem Außenteil (schwarz), die Abdichtung erfogt über einen O-Ring direkt am Kessel von außen. Bitte beachten, nur passend für Lochdurchmesser von 20,5 bis 25 mm im Sandfilterbehälter. Espa, Ersatzteil, Ersatzteilnummer 7725002Pool, Sandfilteranlagen, Filterkessel, Schwimmbad Keine Chinaware, Original ESPA Ersatzteil - Original Equipment (OE)


Dichtring für Leitrad Blaumar, Sniper, Niper

Dichtring für Leitrad Blaumar, Sniper, Niper Dichtring, Profilring, Dichtung für Leitrad, Leitraddichtung für Espa Pumpe Typ Blaumar B2, Blaumar N1, Squiper, SP 60, SP 70, Niper 1-350, Niper 2-450, Ni 5Abmessung: Innendurchmesser 42,50 mm Außendurchmesser 56,50 mm Schnurstärke 7 mm = 56,5 - 42,5 / 2 Höhe/Dicke 5 mmEspa, Ersatzteil, Ersatzteilnummer 86017Sandfilteranlage, Filtergehäuse, Poolpumpe, Schwimmbadpumpe, Schwimmbadfilter, Filterpumpe Keine Chinaware, Original ESPA Ersatzteil - Original Equipment (OE)


Distanzhülse für Niper, Sniper

Distanzhülse, Teller, Scheibe für Pumpe Niper 1-350, Niper 2-400, Niper 2-450, Niper 3-450, Niper 3-650, Sniper 25M, 50M. Distanzhülse, Teller, Scheibe für Pumpe Niper 1-350, Niper 2-400, Niper 2-450, Niper 3-450, Niper 3-650, Sniper 50M, Sniper 75M SP1 Innendurchmesser: 45,5 mm Außendurchmesser: 138,30 mm Stärke/Dicke: 15 mm Passende Leitraddichtung: 86017Espa-Ersatzteilnummer: 810305 Sandfilteranlage, Filtergehäuse, Poolpumpe, Schwimmbadpumpe, Schwimmbadfilter, Filterpumpe, Schwimmbad, Pool, Filteranlage

Ersatzteilliste für Filterpumpe Sniper als PDF
Ersatzteilliste für Filterpumpe, Schwimmbadpumpe von Espa Typ Sniper als PDF. Hier finden Sie die Ersatzteilen für Filterpumpen, Schwimmbadpumpen, Sandfilteranlagen, Schwimmbadfiltern, Poolpumpen von Espa, Typ Sniper als PDF zum Gratis Download.Ersatzteile wie: Filter, Dichtung, O-Ring, Poolpumpe, Filterpumpe, Schwimmbad Pumpe, Silen, Espa, Poolpumpe, Siebkorb, Filterkorb, Filter, Korb, Sieb, O-Ring, Dichtring, Dichtung, Pumpenfuss, Auslassventil, Stator, Filtergehäuse, Gehäusedichtung, Klarsichtdeckel, Vorfilterdeckel, Deckel, Vorfilter, Stopfen, Lüfterrad, Lüfterdeckel, Druckteller, Druckstutzen, Ablassschraube, Ablassstopfen, Gleitringdichtung, Kondensator, Laufrad, Leitrad. Gratis-Download Ersatzteilliste für Filterpumpe Sniper:Gratis-Download Ersatzteilliste Filterpumpe Sniper als pdf

Filterkorb, Filter, Sieb, Vorfilterkorb für Blaumar, Sniper

Filterkorb, Filter, Sieb, Vorfilterkorb für Blaumar N1, SP 60/70, Sniper 25 M, Sniper 50 M, Ni 5, Niper 1-350, Niper 2-400, Niper 2-450, NI 5. Filterkorb, Filter, Sieb, Vorfilterkorb für Blaumar N1, SP 60/70, Sniper 25 M, Sniper 50 M, Ni 5, Niper 1-350, Niper 2-400, Niper 2-450 Ni 5.Abmessung:Größter Durchmesser: 75 mmKomplette Höhe (über alles): 130 mmEspa Pumpe, Ersatzteil, Ersatzteilnummer 810304Sandfilteranlage, Schwimmbadfilter, Filter, Filtergehäuse, Schwimmbadpumpe, Schwimmbad, Pumpe, Pool, Poolpumpe, Filterpumpe Keine Chinaware, Original ESPA Ersatzteil - Original Equipment (OE)

Gehäusedichtung für Sniper, Niper, Blaumar

Gehäusedichtung für Blaumar, Sniper, Niper Gehäusedichtung, Gehäusedichtring, Dichtung für Gehäuse, Vorfiltergehäuse für Espa Pumpe Typ Blaumar B2, Blaumar N1, SP60, SP70, Ni 5, Sniper, Niper 1-350, Niper 2-450 Espa Pumpe, Ersatzteil, Ersatzteilnummer 86018 O-Ring, Dichtring, Sandfilteranlage, Filter, Gehäuse, Filtergehäuse, Poolpumpe, Schwimmbadpumpe, Schwimmbadfilter, Filterpumpe, Schwimmbad, Pool Schnurstärke Durchmesser 3 mm

Kondensator für Espa Pumpe Iris 400, Sniper, Wiper, Flipper 1S

Kondensator für ESPA Pumpe Iris, Sniper, Wiper, Flipper 1S, KSB Multi ECO Kondensator für Espa Pumpen mit 230V/50Hz, innenliegend mit zweiadrigem Anschluss, passend bei Kondensator für Pumpe mit 230 V/50Hz, Iris 400, Sniper, Wiper, Flipper 1S, Piscis 3, passend auch bei KSB Pumpe Multi Eco 34.0 E, 660W/50Hz.

Kondensator für Espa Pumpe Iris 400, Sniper, Wiper, KSB Pumpe MultiEco

Kondensator für ESPA Pumpe Iris, Sniper, Wiper, Flipper 1S, KSB Multi ECO Kondensator für Espa Pumpen mit 230V/50Hz, außenliegend mit zweiadrigem Anschlusskabel, passend bei Kondensator für Pumpe mit 230 V/50Hz, Iris 400, Sniper, Wiper, Flipper 1S, passend auch bei KSB Pumpe Multi Eco 34.0 E, 660W/50Hz.

Lüfterrad für Sniper, Blaumar, Tiper, Niper, Silen, Flipper, Aspri

Lüfterrad für Blaumar, Tiper, Sniper, Silen, Silenplus, Pool M, Niper, Flipper, Aspri, Delta, Multipress Lüfterrad für Blaumar S1, Tiper 1, Tiper 2, Sniper, Silen 30, Silen 50, Silen 75, Silen 100, Silen S, Silenplus M1, Pool M, Niper 5, Niper 1-350, Niper 2-450, Flipper 1, Flipper 2, Delta 1005, TEA, Multimax, Aspri 25-3, Aspri 25-4, Aspri 25-5, Tecnopres 2, Delta 1755, Dedra 1200, TV, Flipper 50, Flipper 75, Flipper 100, Multipress 25. Espa, Ersatzteilnummer 81040 Abmessung: Außendurchmesser 120 mm für Wellendurchmesser 15 mm Keine Chinaware, Original ESPA Ersatzteil - Original Equipment (OE)

Lüfterrad für Sniper, Squiper, Wiper, Tiper, Blaumar, Iris

Lüfterrad für Blaumar I1, Blaumar N1, Iris, Sniper, Squiper, Wiper, Tiper, Multipool, Basic, Piscis, Silen I, Tecnoself 15 Lüfterrad für Motor bei der Pumpe Blaumar I1, Blaumar N1, Blaumar B1, SP60, SP70, Ni5, Iris 400, Iris 500, Iris 750, Iris 100, Sniper, Squiper, Wiper 0, Tiper 0, Tiper 1, Multipool, Iris, Basic, Piscis, Silen I 33, Silen I 50, Silen I 100, Tecnoself 15-2, Tecnoself 15-3, Tecnoself 15-4, Tecnoself 15-5Abmessung: Außendurchmesser 94 mm für Wellendurchmesser 12 mmEspa Pumpe, Ersatzteil, Ersatzteilnummer 8125402

Manometer mit Farbband für TOP 6 Wege Ventil

Manometer mit Farbband, 1/4" Anschlussgewinde (ca. 13 mm) Manometer mit Farbband für Filteranlage, passend bei 4 oder 6 Wegeventil, Typ TOP-Kessel, TOP Mount-Ventil und Manometerhalter für Sandfilteranlagen SF, SF500. Durchmesser Manometer 50 mm, Anschlussgewinde 1/4" (ca. 13 mm), max. Druck 3 bar. Keine Chinaware, Original ESPA Ersatzteil - Original Equipment (OE)


Manometerhalter für Sandfilteranlagen SF 1/4 Zoll

Manometerhalter für Sandfilteranlage SF, 1/4" Anschlußewinde für Kessel und Manometer Manometerhalter für Sandfilteranlage SF, Anschlußewinde für Kessel-Anschluß und Manometer-Anschluß 1/4" (ca. 13 mm), Abdichtung zum Kessel mit O-Ring, Schlüßelweite für Montage SW 25. Sandfilteranlage SF500 / Silen50M,passendes Manometer 77325014 (bitte extra bestellen, gehört nicht zum Lieferumfang).Espa- Ersatzteilnummer: 840008 Keine Chinaware, Original ESPA Ersatzteil - Original Equipment (OE)


Montageschlüssel zum Öffnen und Schließen von PVC-Fittings

Montageschlüssel zum Öffnen und Schließen von Überwurfmuttern bei PVC-Fittings Montageschlüssel mit Textilband, ideal zum Öffnen und Schließen von Überwurfmuttern bei PVC-Fittings, geeignet zum Lösen und Verschrauben von Überwurfmuttern bei PVC-Rückschlagventilen, PVC-Verschraubungen, PVC- Kugelhähnen u.v.m.. Durch die besondere Beschichtung des Gurtes ist das Band extrem Rutschfest. Geeignet zum öffnen von Armaturen in alle Einbaulagen.Gurtlänge 490 mm.


O-Ring für 6-Wegeventil

O-Ring für 6-Wegeventil mit Flanschbefestigung auf dem Filterkessel. O-Ring, Dichtung für 6-Wegeventil (TOP) mit Flanschbefestigung zum Filter-Kessel.Innendurchmesser ca. Ø142 mm Espa, Ersatzteil, Ersatzteilnummer 77050052 Sandfilteranlage, Filtergehäuse, Schwimmbadpumpe, Schwimmbad, Schwimmbadfilter, Pumpe, Pool, Poolpumpe, Filterpumpe, Filter, Ventil, Umschalter, Stellhebel,

O-Ring für Filterdeckel, Klarsichtdeckel Sniper, Niper

O-Ring für Filterdeckel, Klarsichtdeckel am Saugstutzen Sniper, Niper. O-Ring, Dichtring, Dichtung für Gehäuse, Saugstutzen an der Espa Pumpe Typ Niper 1-350, Niper 2-400, Niper 2-450, Sniper Espa Pumpe, Ersatzteil, Ersatzteilnummer 86022 Klarsichtdeckel, Filterdeckel, Deckel, Vorfilter Deckel, Vorfilterdeckel, Sandfilteranlage, transparenter Deckel, Saugstutzen, transparenter Vorfilterdeckel, Filtergehäuse, Schwimmbadpumpe, Filtergehäuse, Schwimmbad, Schwimmbadfilter, Pumpe, Pool, Poolpumpe, Filterpumpe, Filter Schnurstärke Durchmesser 3,5 mm Geeignet für Nut mit Innendurchmesser von 78,5 mm Keine Chinaware, Original ESPA Ersatzteil - Original Equipment (OE)

O-Ring für Saugstutzen, Blaumar, Sniper, Wiper, Tiper, Tifon, Squiper

O-Ring für Saugstutzen, Blaumar I1-S1, Sniper, Wiper-3. Tiper-2, Tifon 1, Squiper, SP 60/70, Silen Silen 2, Silen S, Silen S2, Silenplus, Pool M, Picsis 3, Picsis 4, Ni 5, Silen S2, Niper 1-350 - Nipper 3-850, Nadorself, Iris 400 - 1000, Flipper 1, Flipper 2, Baisc O-Ring für Saugstutzen, passend bei Blaumar I1 bis S1, Sniper, Wiper-3. Tiper-2, Tifon 1, Squiper, SP 60, SP 70, Silen Silen 2 Silen S, Silenplus M1, Pool M, Picsis 3, Picsis 4, Ni5, Silen S2, Niper 1-350 bis Nipper 3-850. Nadorself, Iris 400 bis 1000, Flipper 1, Flipper 2, Baisc Espa Pumpe, Ersatzteil, Ersatzteilnummer 8399 Schnurstärke Durchmesser 3,5 mm O-Ring, Dichtring, Sandfilteranlage, Filter, Gehäuse, Filtergehäuse, Poolpumpe, Schwimmbadpumpe, Schwimmbadfilter, Filterpumpe, Schwimmbad, Pool, Druckgehäuse, Dichtschnur


O-Ring für Silen, Squiper, Tifon, Flipper, Nadorself, Niper

O-Ring für Schraube bei Silen, Silenplus, Squiper, Tifon, Flipper, Nadorself, Blaumar, Picsis, Niper, O-Ring, Dichtring, Dichtung für Schraube bei Espa Pumpe Typ Blaumar I1, Blaumar S1, Wiper 3. Tiper 2, Tifon 1, Squiper, SP 60, SP 70, Sniper, Silen, Silen 2, Silenplus M1, Ni5, Pool M, Picsis 3, Picsis 4, Niper 1-350, Niper 3-850, Nadorself, Iris 400, Iris 500, Iris 750, Iris 100, Flipper 1, Flipper 2, Basic, Flipper 1S, Flipper 2 SN, Nadorself Espa Pumpe, Ersatzteil, Ersatzteilnummer 8300

O-Ring für Sniper, Niper, Wiper, Flipper, Blaumar, Tiper

O-Ring für Sniper, Niper, Wiper, Flipper, Blaumar, Tiper Dichtring, O-Ring für Ablassstopfen, für Pumpe Blaumar B2, Blaumar N1, Tiper 0, Niper, Sniper, Wiper, Flipper 1S, Flipper 2 NS, SP 60, SP 70, Niper 1-350, Niper 2-450, Flipper 1, Flipper 2 Espa Pumpe, Ersatzteil, Ersatzteilnummer 8345 Schraube, Stopfen, Ablaßschraube, Ablassschraube, Ablassstopfen, Füllstopfen, Füllschraube, Sandfilteranlage, Filtergehäuse, Poolpumpe, Schwimmbadpumpe, Schwimmbadfilter, Filterpumpe, Schwimmbad, Pool, Filteranlage, Füllschraube, Ablaufschraube


O-Ring für Überwurfmutter Silen, Silen S, Niper, Iris

O-Ring für Überwurfmutter, Silen, Silenplus, Niper, Iris, Tiper 2 O-Ring, Dichtring, Dichtung für Überwurfmutter an Saugstutzen und Druckstutzen Blaumar B1, Blaumar I1, Blaumar S1, Blaumar N1, Wiper, Wiper 0-3, Tiper 0-2, Tifon 1, Squiper, Pool M, SP60, SP70, Silen, Silen S, Picsis 3, Picsis4, Flipper 1, Flipper 2, Niper 3-450, Niper 3-650, Niper 3-850, Silen 30, Silen 50, Silen 75, Silen 100, Silenplus M1, Iris 450, Iris 650, Iris 400-1000, Tiper 2 Espa Pumpe, Ersatzteil, Ersatzteilnummer 8350 Geeignet für Nut mit Innendurchmesser von 54 mm Schnurstärke: 3,5 mm (O-Ring Durchmesser)


O-Ring, Dichtring für Filterdeckel Niper 3, Blaumar, Sniper, Wiper

O-Ring für Vorfilter Deckel, Vorfilterdeckel, Klarsichtdeckel, Nipper 3 O-Ring für Vorfilter Deckel, Vorfilterdeckel, Klarsichtdeckel, Nipper 3, Niper 3-450, Niper 3-650, Niper 3-850, Blaumar N2, Sniper, Wiper, geeignet für Nut mit Innendurchmesser von ca. 108 mm, Schnurstärke: Ø 5,0mm (O-Ring Durchmesser).

O-Ring, Dichtung für Sniper, Niper, Wiper, Tiper

O-Ring für Vorfiltergehäuse - Druckseite, Sniper, Niper, Wiper, Tiper Gehäusedichtung, Gehäusedichtring, Dichtung für Gehäuse, Vorfiltergehäuse für Espa Pumpe Typ Niper, Sniper, Wiper, Tiper Espa Pumpe, Ersatzteil, Ersatzteilnummer 8306 O-Ring, Dichtring, Sandfilteranlage, Filter, Gehäuse, Filtergehäuse, Poolpumpe, Schwimmbadpumpe, Schwimmbadfilter, Filterpumpe, Schwimmbad, Pool Schnurstärke Durchmesser 3,5 mm Geeignet für Nut mit Innendurchmesser von 50,5 mm