
Ersatzteile für Pumpe Basic, Ersatzteilliste Espa, Filterpumpe.
Ersatzteile für Filterpumpe Basic Modell: Espa Basic
-HIER- Ersatzteilliste für Espa Pool Pumpe Basic als pdf herunterladen!
Hier finden Sie Ersatzeile wie: Siebkorb, Filterkorb, Filter, Korb, Sieb, O-Ring, Dichtring, Dichtung, Pumpenfuß, Auslassventil, Stator, Filtergehäuse, Gehäusedichtung, Klarsichtdeckel, Vorfilterdeckel, Deckel, Vorfilter, Stopfen, Lüfterrad, Lüfterdeckel, Druckstutzen, Ablaßschraube, Ablassstopfen, Laufrad, Gleitringdichtung, Kondensator, Leitrad, Poolpumpe, Filterpumpe, Schwimmbad Pumpe, Espa, Poolpumpe.
Laden Sie sich die Ersatzteilliste für Espa Pool Pumpe Basic als pdf herunter:


Auslassventil für Sandfilteranlage

Entleerungsventil mit Schlauchtülle für Schlauchanschluß, Auslassventil für Sandfilteranlage Entleerungsventil mit Schlauchtülle für Schlauchanschluß, Auslassventil für Sandfilteranlage mit Außengewinde, bestehend aus drei Teilen, passend z.B. bei Sand-Filteranlage SF500 mit 75 kg Sandfüllung und Espa Pumpe Silen 50. Gewinde-Außendurchmesser: 16 mmEspa, Ersatzteil, Ersatzteilnummer 840014 Keine Chinaware, Original ESPA Ersatzteil - Original Equipment (OE)


Auslassventil für Sandfilteranlage Durchmesser 20,5 bis 25 mm

Entleerungsventil, Auslassventil für Sandfilteranlage Entleerungsventil, Auslassventil, Ablassventil, Entleerungsdüse Typ EH-0,2, bestehend aus einem Innenteil (beige) und einem Außenteil (schwarz), die Abdichtung erfogt über einen O-Ring direkt am Kessel von außen. Bitte beachten, nur passend für Lochdurchmesser von 20,5 bis 25 mm im Sandfilterbehälter. Espa, Ersatzteil, Ersatzteilnummer 7725002Pool, Sandfilteranlagen, Filterkessel, Schwimmbad Keine Chinaware, Original ESPA Ersatzteil - Original Equipment (OE)


Dichtring für Welle Niper, Blaumar, Wiper, Tiper, Iris, Squiper

Dichtring, Streuscheibe für Welle Niper, Blaumar, Wiper, Tiper, Iris, Squiper, Silen I Streuscheibe (Dichtung) für Welle passend bei Espa Pumpe, Basic, Wiper 0, Tiper 0, Tiper 1, Squiper, SP 60, SP 70, Sniper, Picsis3, Niper 1-350, Niper 2-400, Niper 2-450, Niper 3-450, Niper 3-650, Niper 3-850, Iris 400, Iris 500, Iris 750, Iris 1000, Blaumar N1, Blaumar I1, Silen I 33, Silen I 50, Silen I 100.Espa Ersatzteilnummer 8341


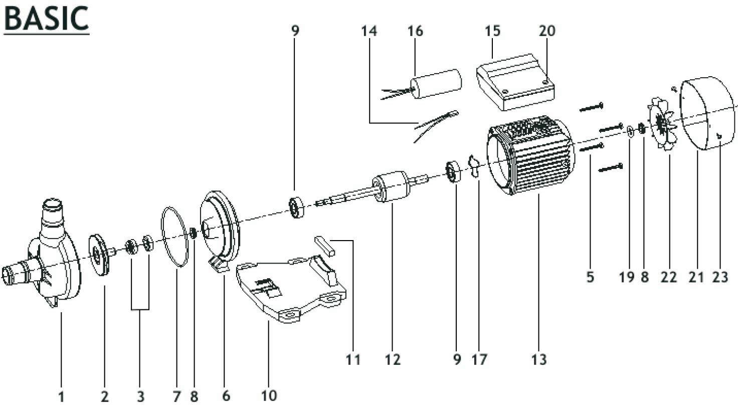
Ersatzteilliste für Filterpumpe Basic als PDF
Ersatzteilliste für ESPA Filterpumpe und Schwimmbadpumpe Basic als PDF zum Gratis-Download. Hier finden Sie die Ersatzteilliste mit Ersatzteilen für Filterpumpen, Schwimmbadpumpen, Sandfilteranlagen, Schwimmbadfiltern, Poolpumpen von Espa, Typ: Basic. Ersatzteile wie: Filter, Dichtung, O-Ring, Poolpumpe, Filterpumpe, Schwimmbad Pumpe, Silen, Espa, Poolpumpe, Siebkorb, Filterkorb, Filter, Korb, Sieb, O-Ring, Dichtring, Dichtung, Pumpenfuss, Auslassventil, Stator, Filtergehäuse, Gehäusedichtung, Klarsichtdeckel, Vorfilterdeckel, Deckel, Vorfilter, Stopfen, Lüfterrad, Lüfterdeckel, Druckstutzen, Ablassschraube, Ablassstopfen, Gleitringdichtung, Kondensator, Laufrad, Leitrad. Keine Chinaware, Original ESPA Ersatzteil - Original Equipment (OE). Gratis-Download Ersatzteilliste für Filterpumpe und Sandfilterpumpe Basic:Gratis-Download Ersatzteilliste Pool Pumpe Basic


Gehäuseschraube für Wiper, Tiper, Tifon, Niper, Iris, Blaumar

Spezial-Schraube für Druckteller Spezial-Schrauben 5,5 x 40 für Druckteller, passend bei Espa Pumpen Basic, Piscis2, Niper, Niper 1, Niper 2, Niper 3, Iris 400/500/750/1000, Wiper, Whisper, Blaumar N2, Blaumar I1, Tiper Espa, Ersatzteil, Ersatzteilnummer 80029

Gewindestangen Leader ECOPLUS 230

Gewindestangen Leader ECOPLUS 230 Gewindestangenset Leader ECOPLUS 230 Dehoust GEP Umwelttechnik, Ersatzteil, Ersatzteilnummer 8-230-170


Gleitringdichtung für Basic

Gleitringdichtung drehend+fix für Basic, Tiper 2 Gleitringdichtung drehend und Gleitringdichtung fix, Set komplett (400+500) für Pumpe Basic, Tiper 2 Espa, Ersatzteil, Ersatzteilnummer 874579 Sandfilteranlage, Filtergehäuse, Poolpumpe, Schwimmbadpumpe, Schwimmbadfilter, Filterpumpe, Schwimmbad, Pool, Filteranlage


Gleitringdichtung für Niper, Tiper, Basic, Tecnoself, Rainsub

Gleitringdichtung drehend+fix für Niper, Tiper, Basic, Tecnoself, Rainsub Gleitringdichtung, zweiteilig, bestehend aus drehendem und fixem Teil, Espa Typ 400/500. Lieferung mit ausführlicher Montageanleitung! Passend für Espa Pumpe Typ Niper 1-350, Niper 2-450, Ni 5, Tiper 1, Basic211, Tecnoself 15-2, Tecnoself 15-3, Tecnoself 15-4, Tecnoself 15-5. Rainsub 07 Espa, Ersatzteil, Ersatzteilnummer 872594 Sandfilteranlage, Filtergehäuse, Poolpumpe, Schwimmbadpumpe, Schwimmbadfilter, Filterpumpe, Schwimmbad, Pool, Filteranlage


Klemmkasten Typ CB 8 für Sniper, Basic, Niper, 230V

Klemmkasten Typ CB 8 für Sniper, Basic, Niper, 230V Ausführung Klemmkasten CB 8 komplett mit Gehäuse, Deckel und Kabelklemmung für Pumpe Sniper, Basic, Niper 3-650, Niper 3-850, Iris 400, Iris 500, Espa Pumpe, Ersatzteil, Ersatzteilnummer 810033 Abmessung: Breite: 102 mm (ohne Kabelklemmung) Länge: 107 mm


Kondensator für Espa Pumpe Iris, Basic, Niper, Blaumar, Ni,
Kondensator für ESPA Pumpe Iris, Niper, Basic und Blaumar Kondensator für Espa mit Pumpe 230 V, Poolpumpe, Schwimmbadpumpe Typen: Iris 400, Niper 1-350, Ni 5, Basic, Blaumar B1, Blaumar B2 Espa, Ersatzteil, Ersatzteilnummer 82058

Laufrad für Basic, Blaumar

Laufrad für Pumpe Basic, Blaumar Laufrad für Pumpengehäuse, Gehäuse, Druckgehäuse, Filtergehäuse, ESPA Pool Pumpe Basic, Blaumar B1 (50Hz) Espa, Ersatzteil - Ersatzteilnummer 8243 Sandfilteranlage, Filtergehäuse, Poolpumpe, Schwimmbadpumpe, Schwimmbadfilter, Filterpumpe, Schwimmbad, Pool, Filteranlage Rad - Außenduchrmesser 80 mm


Lüfterdeckel für Aspri, Niper, Wiper, Basic, Tiper, Picsis, Iris

Lüfterdeckel, Lüfterraddeckel für Aspri 15, Niper 3, Basic, Wiper 0, Tiper 0, Tiper 1, Picsis 3, Niper 1-350, Niper 3-850, Iris 400, Iris 500, Iris 650, Iris 750, Iris 850, Iris 1000, Tecnoself 15. Lüfterdeckel für Aspri 15-3, Aspri 15-, Niper 3, Basic, Wiper 0, Tiper 0, Tiper 1, Picsis 3, Niper 1-350, Niper 3-850, Iris 400, Iris 500, Iris 650, Iris 750, Iris 850, Iris 1000, Tecnoself 15-2, Tecnoself 15-3, Tecnoself 15-4, Tecnoself 15-5 Espa, Ersatzteil, Ersatzteilnummer 810394 Sandfilteranlage, Filtergehäuse, Poolpumpe, Schwimmbadpumpe, Schwimmbadfilter, Filterpumpe, Schwimmbad, Pool, Filteranlage Keine Chinaware, Original ESPA Ersatzteil - Original Equipment (OE).

Lüfterrad für Sniper, Squiper, Wiper, Tiper, Blaumar, Iris

Lüfterrad für Blaumar I1, Blaumar N1, Iris, Sniper, Squiper, Wiper, Tiper, Multipool, Basic, Piscis, Silen I, Tecnoself 15 Lüfterrad für Motor bei der Pumpe Blaumar I1, Blaumar N1, Blaumar B1, SP60, SP70, Ni5, Iris 400, Iris 500, Iris 750, Iris 100, Sniper, Squiper, Wiper 0, Tiper 0, Tiper 1, Multipool, Iris, Basic, Piscis, Silen I 33, Silen I 50, Silen I 100, Tecnoself 15-2, Tecnoself 15-3, Tecnoself 15-4, Tecnoself 15-5Abmessung: Außendurchmesser 94 mm für Wellendurchmesser 12 mmEspa Pumpe, Ersatzteil, Ersatzteilnummer 8125402

Manometer mit Farbband für TOP 6 Wege Ventil

Manometer mit Farbband, 1/4" Anschlussgewinde (ca. 13 mm) Manometer mit Farbband für Filteranlage, passend bei 4 oder 6 Wegeventil, Typ TOP-Kessel, TOP Mount-Ventil und Manometerhalter für Sandfilteranlagen SF, SF500. Durchmesser Manometer 50 mm, Anschlussgewinde 1/4" (ca. 13 mm), max. Druck 3 bar. Keine Chinaware, Original ESPA Ersatzteil - Original Equipment (OE)


Manometerhalter für Sandfilteranlagen SF 1/4 Zoll

Manometerhalter für Sandfilteranlage SF, 1/4" Anschlußewinde für Kessel und Manometer Manometerhalter für Sandfilteranlage SF, Anschlußewinde für Kessel-Anschluß und Manometer-Anschluß 1/4" (ca. 13 mm), Abdichtung zum Kessel mit O-Ring, Schlüßelweite für Montage SW 25. Sandfilteranlage SF500 / Silen50M,passendes Manometer 77325014 (bitte extra bestellen, gehört nicht zum Lieferumfang).Espa- Ersatzteilnummer: 840008 Keine Chinaware, Original ESPA Ersatzteil - Original Equipment (OE)


Montageschlüssel zum Öffnen und Schließen von PVC-Fittings

Montageschlüssel zum Öffnen und Schließen von Überwurfmuttern bei PVC-Fittings Montageschlüssel mit Textilband, ideal zum Öffnen und Schließen von Überwurfmuttern bei PVC-Fittings, geeignet zum Lösen und Verschrauben von Überwurfmuttern bei PVC-Rückschlagventilen, PVC-Verschraubungen, PVC- Kugelhähnen u.v.m.. Durch die besondere Beschichtung des Gurtes ist das Band extrem Rutschfest. Geeignet zum öffnen von Armaturen in alle Einbaulagen.Gurtlänge 490 mm.


O-Ring für 6-Wegeventil

O-Ring für 6-Wegeventil mit Flanschbefestigung auf dem Filterkessel. O-Ring, Dichtung für 6-Wegeventil (TOP) mit Flanschbefestigung zum Filter-Kessel.Innendurchmesser ca. Ø142 mm Espa, Ersatzteil, Ersatzteilnummer 77050052 Sandfilteranlage, Filtergehäuse, Schwimmbadpumpe, Schwimmbad, Schwimmbadfilter, Pumpe, Pool, Poolpumpe, Filterpumpe, Filter, Ventil, Umschalter, Stellhebel,

O-Ring für Pumpengehäuse Basic

O-Ring für Pumpengehäuse Basic O-Ring, Dichtring, Dichtung für Gehäuse, Pumpengehäuse an der Espa Pumpe Typ Basic Espa Pumpe, Ersatzteil, Ersatzteilnummer 84001 Klarsichtdeckel, Filterdeckel, Deckel, Vorfilter Deckel, Vorfilterdeckel, Sandfilteranlage, transparenter Deckel, Saugstutzen, transparenter Vorfilterdeckel, Filtergehäuse, Schwimmbadpumpe, Filtergehäuse, Schwimmbad, Schwimmbadfilter, Pumpe, Pool, Poolpumpe, Filterpumpe, Filter

O-Ring für Saugstutzen, Blaumar, Sniper, Wiper, Tiper, Tifon, Squiper

O-Ring für Saugstutzen, Blaumar I1-S1, Sniper, Wiper-3. Tiper-2, Tifon 1, Squiper, SP 60/70, Silen Silen 2, Silen S, Silen S2, Silenplus, Pool M, Picsis 3, Picsis 4, Ni 5, Silen S2, Niper 1-350 - Nipper 3-850, Nadorself, Iris 400 - 1000, Flipper 1, Flipper 2, Baisc O-Ring für Saugstutzen, passend bei Blaumar I1 bis S1, Sniper, Wiper-3. Tiper-2, Tifon 1, Squiper, SP 60, SP 70, Silen Silen 2 Silen S, Silenplus M1, Pool M, Picsis 3, Picsis 4, Ni5, Silen S2, Niper 1-350 bis Nipper 3-850. Nadorself, Iris 400 bis 1000, Flipper 1, Flipper 2, Baisc Espa Pumpe, Ersatzteil, Ersatzteilnummer 8399 Schnurstärke Durchmesser 3,5 mm O-Ring, Dichtring, Sandfilteranlage, Filter, Gehäuse, Filtergehäuse, Poolpumpe, Schwimmbadpumpe, Schwimmbadfilter, Filterpumpe, Schwimmbad, Pool, Druckgehäuse, Dichtschnur

Pumpenfuß für Niper 2 und Basic

Pumpenfuß für Niper 2-400, Niper 2-450, Basic. Pumpenfuß, Fuß für Espa Pumpe, Niper 2-400, Niper 2-450, Basic, Ni 5, Ni 7, NI 7M. Espa Pumpe, Ersatzteil, Ersatzteilnummer 810493 Sandfilteranlage, Filtergehäuse, Poolpumpe, Schwimmbadpumpe, Schwimmbadfilter, Filterpumpe, Schwimmbad, Pool, Filteranlage Abmessung: Länge: 150 mm Breite: 205 mm Wir empfehlen hierzu den passender Vibrationsdämpfer mit der Espa Artikel Nummer 86016. Keine Chinaware, Original ESPA Ersatzteil - Original Equipment (OE).


Pumpengehäuse für Basic

Pumpengehäuse für Basic Pumpengehäuse, Gehäuse, Druckgehäuse, Sauggehäuse, Filtergehäuse für ESPA Pool Pumpe Basic Espa, Ersatzteil - Ersatzteilnummer 811000015 Sandfilteranlage, Filtergehäuse, Poolpumpe, Schwimmbadpumpe, Schwimmbadfilter, Filterpumpe, Schwimmbad, Pool, Filteranlage


Ventil Ocean V6 TM12-S für Filteranlagen

Ventil Ocean V6 TM12-S für Filteranlagen, Rückspülventil Top Mount Ventil Ocean V6 TM12-S für Filteranlagen, Rückspülventil Top Mount, Anschlußgewinde 3 x 1 ½“, Innendurchmesser im Korb 50 mm mit O-Ring, Befestigung mit Spannflansch (Innendurchmesser 148 mm) Lieferung mit Schauglas und Entleerungsschraube. (Verwendung: Pool 2000, TOP 450 / Silen I 100-15M wählbare Hebelstellungen: filtern rückspülen nachspülen entleeren zirkulieren geschlossen Material: ABSDichtungen: EPDMmax. Druck 3,5 bar Gehäuse Anschlüße, Innengewinde: 1 1/2" (3x)Anschluß am Filterkessel: 148 mm mit O-Ring (Schnurstärke 6 mm) Befestigung am Filterkessel: Spannflansch Tipp: bei betätigen des Ventils Pumpe abschalten!

Vibrationsdämpfer für Niper, Silen, Silen S, Sniper, Wiper, Basic

Vibrationsdämpfer für Niper, Silen, Silen S, Silenplus, Sniper, Wiper, Basic, Iris Vibrationsdämpfer, Dämpfer für Vibration bei der Espa Pumpe Typ Niper 1-350, Niper 2-400, Niper 2-450, Niper 3-450, Niper3-650, Niper 3-850, Silen 30, Silen 50, Silen 75, Silen 100, Silen 2, Silen S, Silenplus, Iris 450, Iris 650, Iris 750, Iris 100, Blaumar N1, Blaumar S1, Blaumar I1, SP 60, SP 70 (Lieferumfang 1 Stück).Abmaße: Höhe: 10 mmBreite: 10 mmLänge: 56 mm Espa Pumpe, Ersatzteil, Ersatzteilnummer 86016Sandfilteranlage, Filtergehäuse, Poolpumpe, Schwimmbadpumpe, Schwimmbadfilter, Filterpumpe, Schwimmbad, Pool