
Ersatzteile, Ersatzteilliste für Doppelpumpen-Anlagen
Ersatzteile für Modell: Doppelpumpe, kurz DPA für Großanlagen, Druckerhöhung, Regenwassernutzung u.v.a.m
Typ: Doppelpumpe, kurz DPA von Espa, Dehoust, Wisy, GEP, u.v.a.m
Ersatzteilliste für Doppelpumpen-Anlage als pdf herunterladen!
Ersatzteilliste für Espa Pumpe Aspri 15 als pdf herunterladen!
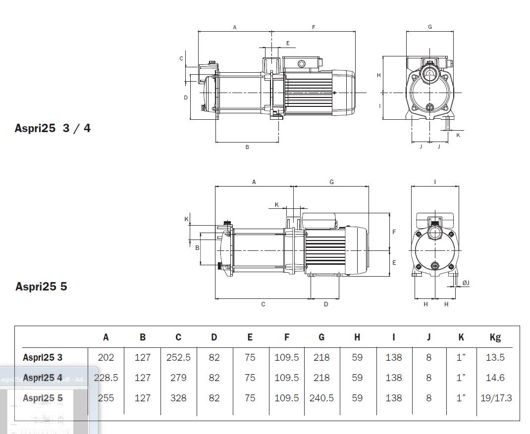
Ersatzteilliste für Espa Pumpe Aspri 25 als pdf herunterladen!
Ersatzteilliste für Druckregler KIT02 als pdf herunterladen!
Sie finden Ersatzteile wie: vorgefertigte Aspri 15, vorgefertigte Aspri 25, Platine für DAP-Anlage, Steuerung für Doppelpumpenanlage, Durchflusswächter, Sammelrohr, Druckschalter MDR 21/6DPA, Konsator für Aspri15, Kondensator für Aspri 25, GEP, ESPA, Dehoust, Wisy.

Distanzscheibe für Regenmanager RM3, RM3-plus, RMC, RME, Rainline

Distanzscheibe für Pumpe Aspri 15 im Regenmanager RM3, RM3-Plus, RMC, RME, Rainlinie 100, Rainline 200, RMA-3, RMA-4, RMO-3, RMO-4, Sicherheitstrennstation ST 3. Distanzscheibe für Laufrad mit großem Bund für Wellenaufnahme - neuste Generation- für Pumpe Aspri 15-3, Aspri 15-4 im Regenmanager RM3, RM3-Plus, RMC, RME, Rainlinie 100, Rainline 200, RMA-3, RMA-4, RMO-3, RMO-4, Sicherheitstrennstation ST 3. GEP / Dehoust - Ersatzteilnummer, 811772


Dreiteilige Messing Verschraubung 1 Zoll mit Dichtung (sA)

Dreiteilige Messingverschraubung 1" mit Dichtung, schwere Ausführung (sA) Dreiteilige Messingverschraubung mit 1" Innengewinde und 1" Außengewinde, schwere Ausführung, kegelig - dichtend, mit zusätzlichem O-Ring im Dichtkegel. Ideale, stabile Anschlussverschraubung aus Messing als Verschraubung zwischen Pumpe und Druckregler. Auch für viele andere Anwendungsbereiche geeignet. Diese Messingverschraubung zeichnet sich insbesondere dadurch aus, das sie auch nach mehreren Jahren wieder kinderleicht zu lösen bzw. öffnen ist.Einfache und schnelle Montage mit Gewindedichtfaden, Dichtschnur, Dichtband, Teflonband, Hanf o. ä. möglich. Gemäß UBA-Positivliste für Trinkwasser geeignet. max. Temperatur: 80°C, max. Druck: 10 bar.Technische Daten: Werkstoff: Messing Dichtung: kegelig - dichtend, mit zusätzlichem O-Ring im Dichtkegel Innengewinde: 1" IG, Gewindetiefe 13mm im Oberteil Aussengwinde: 1" AG, Gewindelänge 13mm Gesamtlänge: 59mm Schlüsselweite des Oberteils: 37mm Schlüsselweite der Überwurfmutter: 46mm
Druckregler KIT02 für Doppelpumpenanlagen

Druckregler KIT02 für Doppelpumpenanlagen Druckregler KIT02 mit Verschraubungen für den schellen Austausch in Doppelpumpenanlagen.GEP/Dehoust Ersatzteilnummer 810315

Druckschalter für Doppelpumpenanlage

Druckschalter für Doppelpumpenanlagen Druckschalter MDR 21/6 für Doppelpumpenanlagen.GEP / Dehoust - Ersatzteilnummer 810191

Einfüllstopfen für Regenmanager RM3, RM3-plus, RMC, RME, Rainline

Einfüllstopfen für Pumpe Aspri 15 im Regenmanager RM3, RM3-Plus, RMC, RME, Rainlinie 100, Rainline 200, RMA-3, RMA-4, RMO-3, RMO-4, Sicherheitstrennstation ST 3. Einfüllstopfen für Pumpe Aspri 15-3, Aspri 15-4 im Regenmanager RM3, RM3-Plus, RMC, RME, Rainlinie 100, Rainline 200, RMA-3, RMA-4, RMO-3, RMO-4, Sicherheitstrennstation ST 3. GEP / Dehoust - Ersatzteilnummer 811639.


Ersatzteilliste Espa Hauswasserwerk Kreiselpumpe ASPRI 15
Ersatzteilliste für Espa Hauswasserwerk, Kreiselpumpe Aspri 15-3, Aspri 15-4, Aspri 15-5 als PDF zum Gratis-Download. Hier finden Sie die Ersatzteilliste mit Ersatzteilen für die Original ESPA Regenwasserpumpe, Hauswasserwerk, Kreiselpumpe Aspri 15-3, Aspri 15-4, Aspri 15-5. Die Ersatzteile für den Druckregler, Schaltautomat, KIT 02, KIT02, Typ KIT02-3, KIT02-4, KIT 02-3, KIT 02-4 finden Sie hier. Original-Ersatzteile wie: Sauggehäuse, O-Ring, Dichtring, Einfüllstopfen in Messing, Manteldichtung, Mantel, Laufradschraube Unterlegscheibe, Luftabscheider, Leitrad, Buchse, Laufrad mit Buchse, Pumpenmantel, Gleitringdichtung, Druckgehäuse, Gewindestange, Zuganker, Welle, Motor, Stator 230V 60 Hz, Stator 230V 50Hz, Stator 400V, Klemmkasten, Klixon Farbe schwarz, Klixon Farbe braun, Klixon Farbe blau, Kondensator, Lüfterdeckel, Lüfterrad, Lippen Dichtring, Lippendichtung, Lager, Rillenkugellager. Keine Chinaware, Original ESPA Ersatzteil - Original Equipment (OE) Ersatzteil-Liste für Espa Kreiselpumpe Aspri 15: Gratis-Download Ersatzteilliste für Espa Kreiselpumpe Aspri 15 als PDF Ersatzteil-Liste für Espa Druckregler KIT02: Gratis-Download Ersatzteilliste für Espa Druckregler KIT02als PDF

Ersatzteilliste Espa Hauswasserwerk Kreiselpumpe ASPRI 25
Ersatzteilliste für Espa Hauswasserwerk, Kreiselpumpe Aspri 25-3, Aspri 25-4, Aspri 25-5 als PDF zum Gratis-Download. Hier finden Sie die Ersatzteilliste mit Ersatzteilen für die Original ESPA Regenwasserpumpe, Hauswasserwerk, Kreiselpumpe Aspri 25-3, Aspri 25-4, Aspri 25-5. Die Ersatzteile für den Druckregler, Schaltautomat, KIT 02, KIT02, Typ KIT02-3, KIT02-4, KIT 02-3, KIT 02-4 finden Sie hier. Originalersatzteile wie: Sauggehäuse, O-Ring, Dichtring, Einfüllstopfen in Messing, Manteldichtung, Mantel, Laufradschraube Unterlegscheibe, Luftabscheider, Leitrad, Buchse, Laufrad mit Buchse, Pumpenmantel, Gleitringdichtung, Druckgehäuse, Gewindestange, Zuganker, Welle, Motor, Stator 230V 60 Hz, Stator 230V 50Hz, Stator 400V, Klemmkasten, Klixon Farbe schwarz, Klixon Farbe braun, Klixon Farbe blau, Kondensator, Lüfterdeckel, Lüfterrad, Lippen Dichtring, Lippendichtung, Lager, Rillenkugellager. Keine Chinaware, Original ESPA Ersatzteil - Original Equipment (OE) Ersatzteil-Liste für Espa Kreiselpumpe Aspri 25: Gratis-Download Ersatzteilliste für Espa Kreiselpumpe Aspri 25 als PDF

Ersatzteilliste für Doppelpumpen-Anlage
Ersatzteilliste und Ersatzteile für Doppelpumpenanlage von Hybrid-Systemen. Ersatzteile für Doppelpumpenanlage für Regenwasser Hybrid-Systeme, Anlage der Firmen Espa, GEP, Dehoust, Wisy.Ersatzteile wie: Steuerung, Magnetventil, Sensor, Steuerung, Druckregler, Aspri Pumpe, Kondensator, Druckschalter.Gratis-Download Ersatzteil Liste für Doppelpumpe Anlage:Gratis-Download Ersatzteilliste Doppelpumpe als pdf


Ersatzteilliste für Espa Druckregler KIT 02, KIT02-3, KIT02-4
Ersatzteilliste für Espa Druckregler, Schaltautomat KIT 02, Typ KIT02-3, KIT02-4 als PDF zum Gratis-Download. Hier finden Sie die Ersatzteilliste und original Ersatzteile für Espa Druckregler, Schaltautomat, KIT 02, KIT02, Typ KIT02-3, KIT02-4, KIT 02-3, KIT 02-4.Originale Ersatzteile wie: Membrane, Gehäuse, Unterteil, Hut, Kappe, Feder, Rückschlagventil, Manometer, Platine, Steuerplatine. Keine Chinaware, Original ESPA Ersatzteil - Original Equipment (OE) Ersatzteil-Liste für Druckregler KIT02:Gratis-Download Espa Druckregler KIT02 als PDF


Espa Druckregler KIT 02-3 ohne Anbauteile
Espa Druckregler KIT02-3 ohne Anbauteile, Schaltautomat KIT 02, Typ KIT 02-3. Espa Druckregler KIT02-3 ohne Anbauteile jedoch komplett montiert für die schnelle Reparatur bei Defekt des KIT Unterteils. KIT02-3 bestehend aus KIT-Unterteil inkl. Rückschlagventil und Membrane, Platinendeckel mit Reset-Taste, Hut/Kappe (gelb) mit eingebauter Feder wegen der Unfallgefahr! Nicht im Lieferumfang enthalten: Manometer und Platine!Am Unterteil sind bereits die Bohrungen für die Montage des Manometers (Montage auf beiden Seiten möglich, Anleitung liegt bei), Montage der Platine und des Platinendeckels, zudem ist ein Schutzring aus Edelstahl am Druckstutzen vorhanden. Keine Chinaware, Original ESPA Ersatzteil - Original Equipment (OE) Ersatzteil-Liste für Druckregler KIT 02: Gratis-Download Ersatzteil-Liste für Druckregler KIT 02, KIT02-3 und KIT02-4 als PDF


Espa Druckregler KIT 02-4 ohne Anbauteile
Espa Druckregler KIT02-4 ohne Anbauteile, Schaltautomat KIT 02, Typ KIT 02-4. Espa Druckregler KIT02-4 ohne Anbauteile jedoch komplett montiert für die schnelle Reparatur bei Defekt des KIT Unterteils. KIT02-4 bestehend aus KIT-Unterteil inkl. Rückschlagventil und Membrane, Platinendeckel mit Reset-Taste, Hut/Kappe (gelb) mit eingebauter Feder wegen der Unfallgefahr! Nicht im Lieferumfang enthalten: Manometer und Platine!Am Unterteil sind bereits die Bohrungen für die Montage des Manometers (Montage auf beiden Seiten möglich, Anleitung liegt bei), Montage der Platine und des Platinendeckels, zudem ist ein Schutzring aus Edelstahl am Druckstutzen vorhanden. Keine Chinaware, Original ESPA Ersatzteil - Original Equipment (OE) Ersatzteil-Liste für Druckregler KIT 02: Gratis-Download Ersatzteil-Liste für Druckregler KIT 02, KIT02-3 und KIT02-4 als PDF


Gewindedichtfaden. Dichtschnur Loctite 55 - Dose mit 50 Meter

Gewindedichtfaden Loctite Typ 55, 50m Dichtschnur zum Abdichten von Rohrgewinden Gewindedichtfaden Loctite Typ 55, handliche Dose mit 50 Meter Dichtschnur. Kinderleichtes Abdichten von Rohrgewinden ab 3/8" bis 6". Kein Hanf, kein PTFE Dichtband. Dichtfaden einfach um das Gewinde wickeln. Der Gewindefitting kann nach der Montage etwas zurück gedreht werden ohne die Dichtheit zu verlieren. Dose mit 50 Meter Dichtfaden für einfache und schnelle Reparaturen oder kleine Änderungen am Wasserleitungsnetz im Haus. Für bis zu 60 Gewinde mit 1" Zoll. Geeignet zum Abdichten von Metallgewinden und Kunststoffgewinden oder beides zusammen. Geeignet für Heißwasser bis 1300 Grad. Freigabe für Kalt-,Heißwasser und Gas, Freigaben: EN 751-2 Klasse ARp DIN 30660 DVGW-Prüfzeichen, NV-5142BP5596 KTW Empfehlung BS 6920 Standard 61 Wicklungsangaben: z.B. bei 1/2" = 6-7 Wicklungen z.B. bei 1" = 8-12 Wicklungen Datenblatt Gewindedichtfaden Loctite Typ 55: Gratis-Download Datenblatt Gewindedichtfaden Loctite Typ 55 als PDF

Gleitringdichtung - fix- für Regenmanager RM3, RM3-plus, RMC, RME

Gleitringdichtung (Set) für Pumpe Aspri 15 im Regenmanager RM3, RM3-Plus, RMC, RME, Rainlinie 100, Rainline 200, RMA-3, RMA-4, RMO-3, RMO-4, Sicherheitstrennstation ST 3. Gleitringdichtung (fix+drehend) als Set inkl. Einbauanleitung für Pumpe Aspri 15-3, Aspri 15-4 im Regenmanager RM3, RM3-Plus, RMC, RME, Rainlinie 100, Rainline 200, RMA-3, RMA-4, RMO-3, RMO-4, Sicherheitstrennstation ST 3. GEP / Dehoust - Ersatzteilnummer, 811779

Gleitringdichtung für Regenmanager RM3, RM3-plus, RMC, RME

Gleitringdichtung (Set) für Pumpe Aspri 15 im Regenmanager RM3, RM3-Plus, RMC, RME, Rainlinie 100, Rainline 200, RMA-3, RMA-4, RMO-3, RMO-4, Sicherheitstrennstation ST 3. Gleitringdichtung (fix+drehend) als Set inkl. Einbauanleitung für Pumpe Aspri 15-3, Aspri 15-4 im Regenmanager RM3, RM3-Plus, RMC, RME, Rainlinie 100, Rainline 200, RMA-3, RMA-4, RMO-3, RMO-4, Sicherheitstrennstation ST 3. GEP / Dehoust - Ersatzteilnummer, 811775

Klemmkasten mit Schrauben für Regenmanager RM3, RM3-plus, RMC, RME

Klemmkasten+Schrauben für Pumpe Aspri 15 im Regenmanager RM3, RM3-Plus, RMC, RME, Rainlinie 100, Rainline 200, RMA-3, RMA-4, RMO-3, RMO-4, Sicherheitstrennstation ST 3. Klemmkasten mit Schrauben für Pumpe Aspri 15-3, Aspri 15-4 im Regenmanager RM3, RM3-Plus, RMC, RME, Rainlinie 100, Rainline 200, RMA-3, RMA-4, RMO-3, RMO-4, Sicherheitstrennstation ST 3. GEP / Dehoust - Ersatzteilnummer, 811791

Klixon für Aspira 10-4, Red2, Tem 750, Delta 755, Dedra 900

Klixon (3MP) für Aspira 10-4, Red2 Tem 750, Delta 755, Delta 900, Aspri 15-4 Klixon (3MP) Aspira 10-4M, Aspri 15-4M, Red2M, Tem 750M, Delta 505, Delta 755M, Dedra 1005M, ASPRI 15-4MB, Aspri15-4 (Gussausführung), Tiper 75M, Tiper1 90M, Tiper 15-3M, Silen 30M, Silen 50M, Silen S60M, Blaumar S1 60-10M, Prisma 15-4M, Kennzeichnung: blaue LitzenEspa Artikelnummer No. 814120

Kondensator für Aspri 20 CB3

Kondensator für Aspri 20-5 M Kondensator für Aspri 20-5 M mit Kabel (aussenliegend) CB3.GEP / Dehoust - Ersatzteilnummer 811523

Kondensator für Doppelanlagen-Pumpe Aspri 25-5

Kondensator für Doppelanlagen-Pumpe Aspri 25-5 Kondensator für Doppelanlagen-Pumpe Aspri 25-5.GEP / Dehoust Ersatzteil Nummer 812347

Kondensator für Regenmanager RMA, RMO, RM3, RMC, RME

Kondensator für Regenmanager RMA-3, RMA-4, RMO-3, RMO-4, RM3, RM3-Plus, RMC, RME, Rainlinie. Kondensator für Regenmanager RMA-3, RMA-4, RMO-3, RMO-4, RM3, RM3-Plus, RMC, RME, Rainline 100, Rainline 200, Sicherheitstrennstation ST3, Doppelpumpenanlage.GEP / Dehoust - Ersatzteilnummer, 811412


Kondensator mit Steckkontakt

Kondensator mit Steckkontankt Kondensator mit Steckkontakten, passend für GEP, Dehoust Pumpe Aspri 25 GEP / Dehoust Ersatzteil Nummer 812322


Kreiselpumpe ASPRI 15-4 MB - Messing für Doppelpumpenanlagen

ASPRI 15-4 für Doppelpumpenanlagen Kreiselpumpe Aspri 15-4 mit Verschraubungen auf Druck- und Saugseite für den schnellen Austausch in einer Doppelpumpenanlage.GEP/Dehoust Ersatzteilnummer 811114


Kreiselpumpe ASPRI 25-4 MB - Messing für Doppelpumpenanlagen
ASPRI 25-4 für Doppelpumpenanlagen. Kreiselpumpe Aspri 25-4 mit Verschraubungen auf Druck- und Saugseite für den schnellen Austausch in einer Doppelpumpenanlage.GEP/Dehoust Ersatzteilnummer 810076


Kreiselpumpe ASPRI 25-5 MB - Messing für Doppelpumpenanlagen

ASPRI 25-5 für Doppelpumpenanlagen. Kreiselpumpe Aspri 25-5 mit Verschraubungen auf Druck- und Saugseite für den schnellen Austausch in einer Doppelpumpenanlage.GEP/Dehoust Ersatzteilnummer 812456

Lager für Regenmanager RM3, RM3-plus, RMC, RME, Rainline

Lager für Pumpe Aspri 15 im Regenmanager RM3, RM3-Plus, RMC, RME, Rainlinie 100, Rainline 200, RMA-3, RMA-4, RMO-3, RMO-4, Sicherheitstrennstation ST 3. Lager, Kugellager. Ausführung: Rillenkugellager in Premium-Qualität, Geräuscharm, mit eingeschränkter Lagerluft innerhalb der Toleranz des Normalbereichs. Der Toleranzbereich wird nicht komplett ausgenutzt, daher besonders laufruhig! Die eingeschränkte Lagerluft sorgt für eine dauerhaft gleichbleibenden Lagerluftbereich im Serieneinsatz. Beidseitig abgedichtet mit berührenden, nicht schleifenden NBR-Gummidichtscheiben. Passend für Pumpe Aspri 15-3, Aspri 15-4 im Regenmanager RM3, RM3-Plus, RMC, RME, Rainlinie 100, Rainline 200, RMA-3, RMA-4, RMO-3, RMO-4, Sicherheitstrennstation ST 3. GEP / Dehoust - Ersatzteilnummer, 811787