Beschreibung
Produktinformationen "Regenwassermanager Box V70D für Mehrfamilien bis 30m selbstansaugend"
Regenwassermanager Box V70 D leistungsstark für Mehrfamilienhäuser, automatisierte Selbst-Ansaugung bis 30m.
Die hydromechanische Steuerung vereint die „traditionelle“ Steuerung mittels Schaltautomaten mit der Nutzung von strömungsmechanischen Wirkungen. Dadurch wird eine große Funktionssicherheit erreicht.
Der Regenwassermanager Box V70 D ist die zentrale Steuereinheit der Regenwassernutzungsanlage. Schnelle Montage, die bedarfsgerechte Trinkwassernachspeisung und der geringe Platzbedarf durch ihre kompakte Bauweise zeichnet der Regenmanager aus.
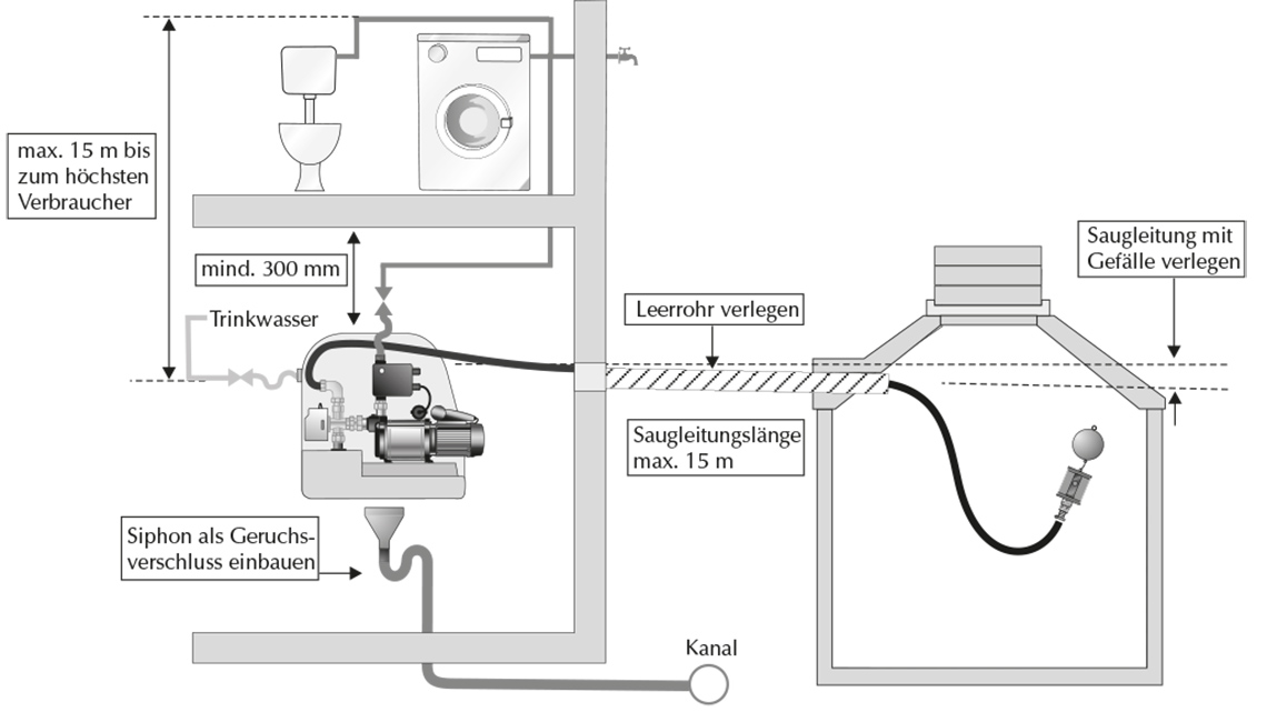
Das im Regenwassermanager Box V70 D patentierte 2/3-Wegeventil ermöglicht eine vollautomatische Inbetriebnahme der Anlage. Das bauseitige Befüllen der Ansaugleitung ist bis zu einer Leitungslänge von 30m nicht mehr erforderlich!
Durch unsere intelligente Ventiltechnik in Verbindung mit unserer mehrstufigen Kreiselpumpe sind Ansaugwege bis 30 Meter bei normalen Höhenverhältnissen zwischen Zisterne und Regenwassermanager ohne weitere Ladepumpe im Tank realisierbar. Auch ist eine steigend verlegte Ansaugleitung nicht mehr erforderlich!
Die Inbetriebnahme der Anlage ist genial einfach:
Nachdem das Kompaktmodul installiert ist und die Leitungen, insbesondere der Trinkwassernachspeisung angeschlossen sind, muss nur noch der Stecker eingesteckt und ein Verbraucher (Außenzapfhahn!) geöffnet, sowie die Pumpe einmalig befüllt werden. Die Anlage entlüftet sich vollautomatisch, das aufwendige Füllen der Saugleitung entfällt vollends!
Die Funktion:
Bei geringem Füllstand in der Zisterne öffnet ein 2/3 Wege-Umschaltventil des Regenmanager automatisch die Trinkwassernachspeisung hausintern - ohne Umwege über die Zisterne. Diese Funktion kann auch manuell genutzt werden (Wartungszwecke, Poolfüllung). So ist gewährleistet, dass nur so viel Trinkwasser in das Kompaktmodul eingespeist wird, wie an der Entnahmestelle verbraucht wird. Die Steuerung des Regenmanager Box V70 D schaltet auch automatisch auf Regenwasserbetrieb um, sobald ein ausreichender Füllstand in der Zisterne gemessen wird.
Die Kreiselpumpe Aspri 25 wird durch den Druckregelautomat Digimatic 2 druckabhängig beim Öffnen eines Verbrauchers eingeschaltet und beim Schließen des Verbrauchers durchflussabhängig wieder ausgeschaltet. Der Druckregelautomat Digiâtic 2 versucht bei Fehlfunktion im System automatisch einen Neustart nach 1 sec, 5 sec, 15 sec, und 60 min., danach leuchtet die LED "FAULT". Im Druckregler werden zudem Druckschläge des Leitungsnetzes durch eine eingebaute Feder absorbiert. Lieferung mit Manometer, Rückschlagventil, inkl. Trockenlaufschutz, komplett verkabelt mit Stecker- und Kupplungsleitung.
Merkmale Regenwassermanager Box V70 D:
- selbstansaugende, korrosionsgeschützt, mehrstufige Kreiselpumpe Aspri 25 (Made in Europa), extrem geräuscharm.
- Manometer zur Druckanzeige am Schaltautomat Digimatic 2,
- komfortable und benutzerfreundliche Bedienungseinheit mit Tastatur
- Hausinterner Trinkwassernachspeisung nach DIN, integrierter 25-Liter Behälter, Sicherheitsnotüberlauf
- bei Trockenheit automatische Umschaltung auf hausinterner Trinkwassernachspeisung
- Schwimmerschalter mit 30 Meter Anschlussleitung
Lieferumfang:
- Regenwassermanager mit Kreiselpumpe Aspri 25, max. Förderhöhe 58m (max. Druck 5,8 bar), max. Fördermenge 7000 l/h (7,0m3/h)
- 30m Schwimmerschalter
- Druckregler Digimatic 2 mit komfortable und benutzerfreundliche Bedienungseinheit mit Tastatur
- Wandbefestigungsset bestehend aus drei Schrauben, passende Wand-Dübel, Gummipuffer und U-Scheiben
- Montage- und Bedienungsanleitung
Technische Daten:
- max. Fördermenge 7,0 m3/h
- max. Föderhöhe 58 Meter
- Systemdruck 5,8 bar
- Druckanschluss 1"AG (mittig oben)
- Sauganschluss 1" AG (seitlich links)
- Trinkwasseranschluss 3/4" AG (seitlich links)
Abmessungen:
- Breite 570 mm
- Höhe 650 mm
- Tiefe 310 mm
Anmerkung;
Bei der Anwendung des Regenwassermanager Box V70 in Mehrfamilienhäuser empfehlen wir den Einbau eines Ausdehnunggefäß mit 24 Liter oder 35 Liter in der Druckseite. Dieses verhindert das Tackten bei kleinen Leckagen und gleicht Druckschläge im Leitungsnetz aus.
Lieferung erfolgt mit Spedition bis Bordsteinkante.
Montage und Einbauanleitung Regenwassermanager Box V70 D:
Gratis-Download Montage und Einbauanleitung Regenwassermanager Box V70 D als PDF
Hersteller

Regenwasser24
Regenwasser nützen, .... die Umwelt schützen, seit über 30 Jahren unser Antrieb für nachhaltiges Handeln.
Bewertungen 0
0 von 0 Bewertungen
Durchschnittliche Bewertung von 0 von 5 Sternen
Anmelden
Accessory Items


Durchschnittliche Bewertung von 0 von 5 Sternen
Profi-Expand LX Ausdehungsgefäss mit 5 Jahre Garantie. Profi-Expand LX Ausdehungsgefäss mit 5 Jahren Garantie, wartungsfreies, vertikales Membran-Druckausdehnungsgefäß zur Bodenaufstellung oder zur Montage an der Wand (Wandhalterung ab 8 Litergefäß bitte extra bestellen). Das Ausdehungsgefäss dient als puffernder Wasserspeicher oder Wasserschlagdämpfer In Trinkwasser- oder Regenwasseranlagen. Einzelmembrankonstruktion mit hochwertiger Butylmembrane (Hutmembrane). Korrosionssichere Innenauskleidung des Tages aus reinem Polypropylen und 2-Komponenten Polyurethanaußenlackierung auf Epoxidgrundierung. Ein Schraubdeckel mit integriertem O-Ring sorgt für eine zusätzliche Abdichtung des Luftventils.Besonders hochwertig und langlebig durch Verstärkungen der Innenauskleidung und der Membrane in den Verschleißbereichen, Abrundung aller Innenteile um und auch unter Extrembedingungen ein Reißen der Membrane zu verhindern, sowie wartungsfrei durch eine einzigartige Wasser-Luft-Doppeldichtung zur vollkommenen Abdichtung. Anschluss 1“ aus Edelstahl, max. Betriebsdruck 10 bar, max. Betriebstemperatur 90º C sowie einem Vordruck von 1,9 bar Zugelassen gemäß EU-Druckgeräterichtlinie 2014/68/EU und mit den Zertifizierungen für Trinkwasser nach ACS und WRAS. Lieferung mit 2, 8,18, 24 und 35 Liter Bitte Größe bei der Bestellung wählen.


Durchschnittliche Bewertung von 0 von 5 Sternen

Hausanschluss-Set mit flexibler Druckschlauch 1" und 3/4" mit Edelstahlumflechtung und Absperrhahn. Hausanschluss-Set mit flexibler Druckschlauch mit Edelstahlumflechtung 1" und 3/4", Länge jeweils 500 mm, inkl. passender Absperrhahn.Ideal zum schwingungsfreien Verbinden der Anlagen mit der Druckleitung im Haus. Ausführung: Außengewinde 1", Messing vernickelt Überwurfmutter 1", flachdichtend, Messing vernickelt Länge 500 mm Innen mit EPDM-Schlauch, nicht toxisch, für Trinkwasser geeignet, KTW-C-W270 Außen: Edelstahlumflechtung. Betriebstemperatur -20 bis + 100 Grad Betriebsdruck 10 bar Lieferung mit Asbestfreier Dichtung für Überwurfmutter Absperrhahn jeweils mit Innen- und Aussengewinde Datenblatt Flexibler Druckschlauch mit Edelstahlumflechtung: Gratis-Download Datenblatt Flexibler Druckschlauch mit Edelstahlumflechtung als PDF


Durchschnittliche Bewertung von 0 von 5 Sternen
Hausanschluss-Set bestehen aus schwimmende Ansaugleitung 1", Länge 27 Meter mit 2 Meter schwimmende Ansaugschlauch 1". Hausanschlussset, bestehend aus schwimmende Ansaugleitung 1", Gesamtlänge 27 Meter mit 25 m PE-Rohr, 2,0 Meter schwimmende Ansaugleitung 1" inkl. Schutzscheibe. Zum Abdichten des Leerrohr in den Keller liefern wir zudem eine Mauerdurchfühung für Rohr DN100/110. Die PE-Leitung kann bei Bedarf mittels Eisensäge vor Ort angepasst werden.Für den Abschluss der Anlage an die Hausinstallation liegen zudem ein 1" Panzerschlauch und eine 3/4" Panzerschlauch inkl. Absperrhähnen bei.Bitte beachten Sie das bei dem nachträglichen Einbau in ein Leerrohr in diesem nur 15° Grad Bögen verwendet werden dürfen. Lieferumfang: 2 Meter schwimmende Ansaugleitung 1" mit Schutzscheibe und Rückschlagventil, Stahldrahtspiraleschlauch mit 25mm Innendurchmesser, hochflexibel, knickfest stahldrahtspirale verstärkt. 25 m PE-HD Rohr 32 x 3 mm 1 x Messing-Klemmverschraubung IG 1 x Messing-Klemmverschraubung Winkel 32x32 mm Mauerduchfühung DN110/100 mit 32 mm und 16mm Bohrung Panzerschlauch 1", Länge 500 mm mit Kugelhahn/Absperrhahn Panzersschlauch 3/4", Länge 500 mm mit Kugelhahn/Absperrhahn Datenblatt Flexibler Druckschlauch mit Edelstahlumflechtung: Gratis-Download Datenblatt Flexibler Druckschlauch mit Edelstahlumflechtung als PDF

Durchschnittliche Bewertung von 0 von 5 Sternen

Mehrfachdichtung zum Abdichten des Leerrohres DN 100/110 zur Zisterne. Mehrfachdichtung zum druckdichten Abdichten des Leerrohres DN 100 zur Zisterne. Die Abdichtung erfolgt durch Klemmung der 2 Edelstahlplatten. Ausführung: zwei Edelstahlplatten, getrennt durch ein ca. 30mm starkes Dichtungsgummi. eine Bohrung 36 mm eine Bohrung 16 mm zwei Bohrungen 7 mm für Kabel etc.
Similar Items


Durchschnittliche Bewertung von 0 von 5 Sternen
Regenwassermanager AMRES 15-4 mit schallgedämmter Haube und Füllstandsanzeige, Zentraleinheit für Regenwassernutzung im Haus. Kompakte Zentraleinheit zur automatischen Steuerung und Wasserversorgung von Regenwassernutzungsanlagen im Haus. Mit integrierter ESPA-Pumpe Typ ASPRI 15-4 für Ein- und Mehrfamilienhäuser, inkl. Schaltautomat Compact 22. Die Steuereinheit überwacht, kontrolliert und steuert die gesamte Anlage und gewährleistet somit ständige Betriebssicherheit. Die Pumpe kann wahlweise, je nach Bedarf, Wasser aus der Regenwasserzisterne oder aus dem eigenen Zwischenspeicher entnehmen. Durch diese zwei unabhängigen Kreisläufe ist es möglich, bei Wassermangel oder bei Wartungen der Zisterne, die Betriebssicherheit der Anlage weiterhin aufrecht zu erhalten. Vorteile: Einfache und schnelle Montage (Lieferung besteht aus zwei Paketen) Extrem leise durch Schallschutzgehäuse aus ABS Hausinterne und bedarfsorientierte Trinkwassereinspeisung nach DIN 1988 mit KTW und DVGW-W270 zertifiziert Komfortable und benutzerfreundliche Bedienungseinheit Trinkwasser wird bei Regenwassermangel automatisch eingespeist Umschaltbar auf manuelle Bedienung Einspeisung bis 3,2 Kubikmeter/Stunde Hohe Betriebssicherheit durch hochwertige Bauteile motorgesteuerter Kugelhahn, 1" freier Durchgang Freier Auslauf gemäß EN 1717 Ständige Betriebsbereitschaft der Regenwassernutzungsanlage Installation unterhalb der Rückstauebene mit Hebeanlage möglich Korrosionsfreie Pumpe, Gehäuse aus recyclebarem PE Tauchdrucksonde mit 25 m Schlauchleitung Anschluss-Set 3/4" für Trinkwasseranschluss Anschluss-Set 1" für Hausanschluss Schalldruck 37-44 dB (A)1 Technische Daten AMRES 15-4: Höhe: 550 mm Breite: 550 mm Tiefe: 340 mm Anschluss Notüberlauf: DN 70 Anschluss Trinkwasser: 3/4" AG Anschluss Saugseite: 1" AG Anschluss Druckseite: 1" AG Gehäuse: Stahl/MDPE (recyclebar) Haube schallgedämmt: ABS schwarz (recyclebar) Motorleistung Pumpe: 800 W Schalldruck 56 dB (A) Max. Fördermenge: 3,2 m3/h Max. Druck: 4,4 bar Schutzart: IP 42 Netzspannung: 230 V Bedienungs- und Montageanleitung AMRES15-4 mit Füllstandsanzeige: Gratis-Download Bedienungs- und Montageanleitung AMRES15-4 mit Füllstandsanzeige als PDF Datenblatt Espa Aspri 15 und Aspri 25: Gratis-Download Datenblatt Espa Aspri 15 und Aspri 25 als PDF Vier Reinigungsstufen in der Regenwassernutzung kurz erklärt: Gratis-Download vier Reinigungsstufen in der Regenwassernutzung kurz erklärt als PDF Testsieger* =Testsieger in der Marktübersicht Regenwassernutzung und Regenwasserversicherung, Ausgabe 2013/2014, Quelle: fbr - Fachvereinigung Betriebs und Regenwassernutzung e.V.


Durchschnittliche Bewertung von 0 von 5 Sternen
Regenwassermanager Box V60 mit Füllstandsanzeige URK6, leistungsstark für Mehrfamilienhäuser, automatisierte Selbst-Ansaugung bis 30m. Die hydromechanische Steuerung vereint die „traditionelle“ Steuerung mittels Schaltautomaten mit der Nutzung von strömungsmechanischen Wirkungen. Dadurch wird eine große Funktionssicherheit erreicht. Der Regenwassermanager Box V60 mit Füllstandsanzeige UTK6 ist die zentrale Steuereinheit der Regenwassernutzungsanlage. Schnelle Montage, die bedarfsgerechte Trinkwassernachspeisung und der geringe Platzbedarf durch ihre kompakte Bauweise zeichnet der Regenmanager aus. Das im Regenwassermanager Box V60 patentierte 2/3-Wegeventil ermöglicht eine vollautomatische Inbetriebnahme der Anlage. Das bauseitige Befüllen der Ansaugleitung ist bis zu einer Leitungslänge von 30m nicht mehr erforderlich! Durch unsere intelligente Ventiltechnik in Verbindung mit unserer mehrstufigen Kreiselpumpe sind Ansaugwege bis 30 Meter bei normalen Höhenverhältnissen zwischen Zisterne und Regenwassermanager ohne weitere Ladepumpe im Tank realisierbar. Auch ist eine steigend verlegte Ansaugleitung nicht mehr erforderlich! Die Inbetriebnahme der Anlage ist genial einfach: Nachdem das Kompaktmodul installiert ist und die Leitungen, insbesondere der Trinkwassernachspeisung angeschlossen sind, muss nur noch der Stecker eingesteckt und ein Verbraucher (Außenzapfhahn!) geöffnet, sowie die Pumpe einmalig befüllt werden. Die Anlage entlüftet sich vollautomatisch, das aufwendige Füllen der Saugleitung entfällt vollends! Die Funktion: Bei geringem Füllstand in der Zisterne öffnet ein 2/3 Wege-Umschaltventil des Regenmanager automatisch die Trinkwassernachspeisung hausintern - ohne Umwege über die Zisterne. Diese Funktion kann auch manuell genutzt werden (Wartungszwecke, Poolfüllung). So ist gewährleistet, dass nur so viel Trinkwasser in das Kompaktmodul eingespeist wird, wie an der Entnahmestelle verbraucht wird. Die Steuerung des Regenmanager Box V60 schaltet auch automatisch auf Regenwasserbetrieb um, sobald ein ausreichender Füllstand in der Zisterne gemessen wird. Die Kreiselpumpe Aspri 25 wird durch den Druckregelautomat Compact 2 druckabhängig beim Öffnen eines Verbrauchers eingeschaltet und beim Schließen des Verbrauchers durchflussabhängig wieder ausgeschaltet. Der Druckregelautomat Digimatic 2 versucht bei Fehlfunktion im System automatisch einen Neustart nach 1 sec, 5 sec, 15 sec, und 60 min., danach leuchtet die LED "FAULT". Im Druckregler werden zudem Druckschläge des Leitungsnetzes durch eine eingebaute Feder absorbiert. Lieferung mit Manometer, Rückschlagventil, inkl. Trockenlaufschutz, komplett verkabelt mit Stecker- und Kupplungsleitung. Merkmale Regenwassermanager Box V60: selbstansaugende, korrosionsgeschützt, mehrstufige Kreiselpumpe Aspri 25 (Made in Europa), extrem geräuscharm. Manometer zur Druckanzeige am Schaltautomat komfortable und benutzerfreundliche Bedienungseinheit mit Tastatur Hausinterner Trinkwassernachspeisung nach DIN, integrierter 25-Liter Behälter, Sicherheitsnotüberlauf bei Trockenheit automatische Umschaltung auf hausinterner Trinkwassernachspeisung Füllstandsanzeige UTK6 mit 30 Meter Anschlussleitung, Mikroprozessor-Steuerung mit Drucksensor und automatischer Kalibrierung Lieferumfang: Regenwassermanager mit Kreiselpumpe Aspri 25, max. Förderhöhe 58m (max. Druck 5,8 bar), max. Fördermenge 7000 l/h (7,0m3/h) Druckregler Digiatic 2 mit komfortable und benutzerfreundliche Bedienungseinheit mit Tastatur Füllstantsanzeige UTK6 mit 30 Meter Anschlussleitung, Wandbefestigungsset bestehend aus drei Schrauben, passende Wand-Dübel, Gummipuffer und U-Scheiben Montage- und Bedienungsanleitung Technische Daten: max. Fördermenge 7,0 m3/h max. Förderhöhe 58 Meter Systemdruck 5,8 bar Druckanschluss 1"AG (mittig oben) Sauganschluss 1" AG (seitlich links) Trinkwasseranschluss 3/4" AG (seitlich links) Abmessungen: Breite 570 mm Höhe 560 mm Tiefe 310 mm Anmerkung: Bei der Anwendung des Regenwassermanager Box V60 in Mehrfamilienhäuser empfehlen wir den Einbau eines Ausdehnunggefäß mit 24 Liter oder 35 Liter in der Druckseite. Dieses verhindert das Tackten bei kleinen Leckagen und gleicht Druckschläge im Leitungsnetz aus. Lieferung erfolgt mit Spedition bis Bordsteinkante. Montage und Einbauanleitung Regenwassermanager Box V60-UTK6 : Gratis-Download Montage und Einbauanleitung Regenwassermanager Box V60-UTK6 als PDF


Durchschnittliche Bewertung von 0 von 5 Sternen
Regenwassermanager AMRES-TOP V für weite Ansaugwege, automatisierte Selbst-Ansaugung bis 30m optional mit Füllstandsanzeige. Die hydromechanische Steuerung vereint die „traditionelle“ Steuerung mittels Schaltautomaten mit der Nutzung von strömungsmechanischen Wirkungen. Dadurch wird eine große Funktionssicherheit erreicht. Der Regenwassermanager AMRES-TOP V ist die zentrale Steuereinheit der Regenwassernutzungsanlage. Schnelle Montage, die bedarfsgerechte Trinkwassernachspeisung und der geringe Platzbedarf durch ihre kompakte Bauweise zeichnet der Regenmanager aus. Das im Regenwassermanager AMRES-TOP V patentierte 2/3-Wegeventil ermöglicht eine vollautomatische Inbetriebnahme der Anlage. Das bauseitige Befüllen der Ansaugleitung ist bis zu einer Leitungslänge von 30m nicht mehr erforderlich! Durch unsere intelligente Ventiltechnik in Verbindung mit unserer mehrstufigen Kreiselpumpe sind Ansaugwege bis 30 Meter bei normalen Höhenverhältnissen zwischen Zisterne und Regenwassermanager ohne weitere Ladepumpe im Tank realisierbar. Auch ist eine steigend verlegte Ansaugleitung nicht mehr erforderlich! Die Inbetriebnahme der Anlage ist genial einfach: Nachdem das Kompaktmodul installiert ist und die Leitungen, insbesondere der Trinkwassernachspeisung angeschlossen sind, muss nur noch der Stecker eingesteckt und ein Verbraucher (Außenzapfhahn!) geöffnet, sowie die Pumpe einmalig befüllt werden. Die Anlage entlüftet sich vollautomatisch, das aufwendige Füllen der Saugleitung entfällt vollends! Die Funktion: Bei geringem Füllstand in der Zisterne öffnet ein 2/3 Wege-Umschaltventil des Regenmanager automatisch die Trinkwassernachspeisung hausintern - ohne Umwege über die Zisterne. Diese Funktion kann auch manuell genutzt werden (Wartungszwecke, Poolfüllung). So ist gewährleistet, dass nur so viel Trinkwasser in das Kompaktmodul eingespeist wird, wie an der Entnahmestelle verbraucht wird. Die Steuerung des Regenmanager AMRES TOP V schaltet auch automatisch auf Regenwasserbetrieb um, sobald ein ausreichender Füllstand in der Zisterne gemessen wird. Die ESPA Kreiselpumpe ASPRI 15 wird durch den Druckregelautomat Compact 2 druckabhängig beim Öffnen eines Verbrauchers eingeschaltet und beim Schließen des Verbrauchers durchflussabhängig wieder ausgeschaltet. Der Druckregelautomat Compact 2 versucht bei Fehlfunktion im System automatisch einen Neustart nach 1 sec, 5 sec, 15 sec, und 60 min., danach leuchtet die LED "FAULT". Im Druckregler werden zudem Druckschläge des Leitungsnetzes durch eine eingebaute Feder absorbiert. Lieferung mit Manometer, Rückschlagventil, inkl. Trockenlaufschutz, komplett verkabelt mit Stecker- und Kupplungsleitung. Als Ansaugleitung empfehlen wir extra für dieses Gerät: Hausanschluss-Set mit schwimmende Ansaugleitung 1" Merkmale Regenwassermanager AMRES TOP V: selbstansaugende, korrosionsgeschützt, mehrstufige ESPA Kreiselpumpe ASPRI 15-4 (Made in Europa), extrem geräuscharm. Schalldruck 37-44 dB (A) Manometer zur Druckanzeige am Schaltautomat Compact 2 Hausinterner Trinkwassernachspeisung nach DIN, integrierter 9-Liter Behälter, Sicherheitsnotüberlauf komfortable und benutzerfreundliche Bedienungseinheit mit Tastatur bei Trockenheit automatische Umschaltung auf hausinterner Trinkwassernachspeisung Schwimmerschalter mit 30 Meter Anschlussleitung formschöner Abdeckhaube in weiß Merkmale bei Ausführung mit Füllstandsanzeige AMRES-TOP V-F: komfortable und benutzerfreundliche Bedienungseinheit mit Tastatur digitale Anzeige des Wasserstandes und der Betriebszustände digitale Füllstandsanzeige mit mikroprozessor-Steuerung mittels Drucksensor elektronische Messung des Regenwasser-Füllstandes in der Zisterne Lieferumfang: Regenwassermanager mit Kreiselpumpe ASPTI 15-4 MB, max. Förderhöhe 44m (max. Druck 4,4 bar), max. Fördermenge 3200 l/h (3,2m3/h) 30m Schwimmerschalter oder bei Füllstandsanzeige mit 30m Drucksensor Druckregler Compact II formschöne Abdeckhaube, Farbe weiß Wandbefestigungsset bestehend aus drei Schrauben, passende Wand-Dübel, Gummipuffer und U-Scheiben Montage- und Bedienungsanleitung Technische Daten: max. Fördermenge 3,2 m3/h max. Förderhöhe 44 Meter Systemdruck 4,4 bar Druckanschluss 1"AG (mittig oben) Sauganschluss 1" AG (seitlich links) Trinkwasseranschluss 3/4" AG (seitlich links) Abmessungen: Breite 620mm Höhe 450mm Tiefe 310mm Als Ansaugleitung empfehlen wir extra für dieses Gerät: Hausanschluss-Set mit schwimmende Ansaugleitung 1" Bitte Ausführung bei Bedarf auswählen. Bedienungs- und Montageanleitung AMRES-TOP_V-Datenblatt: Gratis-Download Bedienungs- und Montageanleitung AMRES-TOP_V-Datenblatt als PDF